
Блок питания – это одна из ключевых деталей ноутбука, от которой зависит его нормальное функционирование. Но что делать, если облако несчастий над вашим гаджетом омрачилось и блок питания начал подводить вас? На помощь приходит самостоятельный ремонт блока питания, который может быть выполнен без особых затрат.
Первое, что стоит учесть – это наличие диагностического сканера. Если у вас такого гнезда нет, его можно купить в магазине по доступной цене. Во-вторых, нужно проверить наличие дефекта на блоке питания. Для этого можно воспользоваться термометром, промеривая температуру в различных местах платы. Также важна нумерация проводов на блоке питания – следует запомнить каждый провод и его место в штекере.
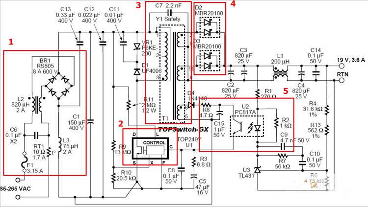
В ремонте блока питания ноутбука обычно встречаются несколько типовых неисправностей. Так, если нет зарядки, в большинстве случаев проблема кроется в трансформаторе. Для его замены необходимо найти годный аналог на другой плате или купить новый трансформатор. Еще одна распространенная причина неполадок – это диоды. Если на плате есть загибы или разрушения, их следует заменить на новые.
Схемы и рекомендации по ремонту блока питания ноутбука можно найти в интернете. Многие пользователи делятся своим опытом и интересными схемами ремонта, которые помогут вам в устранении неисправностей. Кроме того, в комментариях к статьям и разделам можно найти полезные советы и ответы на вопросы.
- Как оперативно решить проблему с блоком питания ноутбука
- 1. Диагностика неисправности
- 2. Поиск дефекта на плате блока питания
- 3. Замена дефектной детали
- 4. Распайка проводов блока питания
- 5. Диагностика блока питания на рабочую мощность
- Шаги по ремонту адаптера
- Шаг 1: Диагностика и проверка
- Шаг 2: Разборка адаптера
- Шаг 3: Проверка платы на предмет повреждений
- Шаг 4: Замена компонентов
- Шаг 5: Сборка и проверка работы
- Необходимость в приобретении нового адаптера
- 1. Разборные блоки питания
- 2. Платы-доноры
- 3. Покупка адаптера-донора
- Видео:
- Ремонт блока питания от ноутбука.
Как оперативно решить проблему с блоком питания ноутбука
Если у вас возникли проблемы с блоком питания ноутбука, есть несколько действий, которые помогут вам оперативно решить эту проблему. В этом разделе мы рассмотрим основные шаги, которые могут потребоваться для проведения ремонта блока питания самостоятельно.
1. Диагностика неисправности
Первым шагом в решении проблемы с блоком питания ноутбука является определение неисправности. Для этого вам придется произвести диагностику блока питания с помощью мультиметра. Измерьте напряжения в сетевом кабеле и на выходном разъеме блока питания с помощью мультиметра. Если напряжения не соответствуют указанным в спецификации, то блок питания, скорее всего, неисправен.
2. Поиск дефекта на плате блока питания

Если у вас есть навыки работы с электроникой, вы можете выполнить разборку блока питания и осмотреть плату на наличие дефектов. Обратите внимание на диоды, транзисторы MOSFET и другие элементы, которые могут быть повреждены. Используйте схему блока питания или найденные записи, чтобы узнать, какие напряжения и какие элементы должны быть на плате.
3. Замена дефектной детали
После определения дефекта на плате блока питания необходимо заменить неисправную деталь. Если у вас есть запчасти или плата-донор, вы можете использовать их для замены. Если вы не имеете необходимой детали, вы можете попытаться найти ее в объявлениях с продажей запчастей или связаться с производителем ноутбука.
4. Распайка проводов блока питания
Если вы не обладаете необходимыми навыками для замены детали на плате, есть еще один простой вариант — замена всего блока питания. В этом случае вам потребуется распаять провода в месте их соединения с платой, заменить блок питания и заново пропаять провода.
5. Диагностика блока питания на рабочую мощность
После замены или ремонта блока питания необходимо провести диагностику его работы на рабочую мощность. Подключите блок питания к сети и проверьте его выходное напряжение с помощью мультиметра. Убедитесь, что напряжение соответствует указанному в спецификации.
Заметьте, что данный пост предназначен только для информационных целей. Если у вас нет навыков работы с электроникой, лучше обратиться к специалисту для выполнения ремонта блока питания вашего ноутбука.
Шаги по ремонту адаптера
Если ваш ноутбук перестал заряжаться или не включается, возможно, проблема кроется в неработающем блоке питания. В этом случае вы можете попробовать отремонтировать его самостоятельно. В этом разделе мы расскажем вам о шагах, которые нужно выполнить для проведения ремонта адаптера.
Шаг 1: Диагностика и проверка
Первым делом вам необходимо узнать причину неисправности вашего адаптера. Для этого можно выполнить следующее:
- Прозвонка проводов и разъемов с помощью мультиметра. Это позволит выявить возможные поломки или повреждения.
- Проверка наличия напряжения на выходе адаптера с помощью мультиметра. Если напряжение отсутствует или сильно отличается от ожидаемого значения, это может указывать на проблемы с выпрямителем или другими элементами.
Шаг 2: Разборка адаптера

После проведения диагностики и проверки, вы можете приступить к разборке адаптера. Для этого выполните следующее:
- Отсоедините адаптер от сети и ноутбука.
- Отверните все винты, фиксирующие корпус адаптера.
- Осторожно разъедините корпус адаптера, обычно он состоит из двух половинок, которые скреплены винтами или защелками. Используйте инструменты или свои руки для открытия корпуса.
Шаг 3: Проверка платы на предмет повреждений
После разборки адаптера, осмотрите плату на предмет повреждений или видимых поломок. Проверьте наличие пайки или проблем с элементами на плате. Если вы заметили повреждения, необходимо заменить или отремонтировать соответствующие элементы.
Шаг 4: Замена компонентов
Если перед вами стоит задача заменить какие-то компоненты адаптера, приобретите запасные части или найдите плату-донора того же бренда и модели адаптера. Это позволит вам использовать исправные компоненты для ремонта вашего адаптера.
Шаг 5: Сборка и проверка работы
После замены или ремонта неисправных компонентов, аккуратно соберите адаптер обратно в корпус. Убедитесь, что все детали правильно соединены и закреплены. После этого выполните проверку адаптера на предмет его корректной работы и соответствия параметрам зарядки вашего ноутбука.
Как вы видите, ремонт блока питания адаптера ноутбука можно выполнить самостоятельно. Однако, если у вас нет необходимых навыков или инструментов, рекомендуется обратиться к специалисту или в сервисный центр. Это поможет избежать возможных ошибок и повреждений устройства.
Необходимость в приобретении нового адаптера

1. Разборные блоки питания
Некоторые бренды ноутбуков выпускают разборные блоки питания, которые состоят из двух частей: сетевого шнура и модуля, подключаемого к ноутбуку. Проверьте, имеется ли у вас такой блок питания, и если да, то попробуйте заменить только модуль (адаптер) на новый.
2. Платы-доноры
Если вы имеете технические навыки и доступ к неисправному блоку питания такой же модели, можете попробовать использовать плату-донора для вашего адаптера. Однако, учтите, что данная процедура требует определенных знаний и может быть сложной для новичков.
Важно помнить, что при использовании платы-донора необходимо совпадение типов и версий блоков питания, чтобы избежать возможных ошибок и повреждений.
3. Покупка адаптера-донора
Если у вас нет разборного блока питания и нет возможности использовать плату-донора, можно приобрести адаптер-донор. Это означает, что вам нужно купить адаптер такой же марки и модели, чтобы использовать его как запчасть для вашего ноутбука.
Перед покупкой обязательно проверьте технические характеристики адаптера-донора и убедитесь, что они совпадают с вашим блоком питания.
Если все вышеперечисленные методы не подходят и вы все-таки решили приобрести новый адаптер, оставьте комментарий под этой статьей и мы поможем вам подобрать подходящую модель.
Не забудьте проверить, имеется ли на корпусе адаптера свежие шильдики с технической информацией, которые могут пригодиться для правильной нумерации проводов и проведения ремонта блока питания.
Всегда старайтесь следовать инструкциям, предоставленным производителем и быть внимательными при работе с электрическими компонентами.
| Номер провода | Цвет провода | Назначение провода |
|---|---|---|
| 1 | Коричневый | Входной фильтр |
| 2 | Оранжевый | Входной фильтр |
| 3 | Серый | Входной фильтр |
| 4 | Белый | Выходной импульсное стабилизатора |
| 5 | Черный | Выходной импульсное стабилизатора |
| 6 | Синий | Выходной импульсное стабилизатора |
| 7 | Зеленый | Выходной импульсное стабилизатора |
Видео:
Ремонт блока питания от ноутбука.









