
Вам захотелось разобрать блок питания своего ноутбука, чтобы устранить поломки самостоятельно? Не спешите бежать к мастеру! С помощью нашей пошаговой инструкции вы сможете справиться с этой задачей без проблем. Опасения по поводу вскрытия внутреннего устройства ноутбука не мешают вам? Читайте дальше!
Первый этап – подготовительный. Вам захочется защитить себя и ваш компьютер от возможных тонких проводов и плавких блоков, которые могут представлять опасность при работе с ними. Обязательные меры безопасности – отключение ноутбука от сети и снятие его с нижней панели. Конечно, перед началом работы рекомендуется посмотреть визуальный мастер-класс на видео, чтобы быть готовым к каждому этапу разборки!
3. Второй этап – разбираем блок. Не забудьте открыть его, используя инструменты и правильные размеры для вашей модели ноутбука. Собрав необходимое оборудование, приступайте к разборке блока с применением клея и растворителей. Если обнаруживаете неисправности – не расстраивайтесь, именно в этот момент вы становитесь мастером.
Важность профессионального подхода

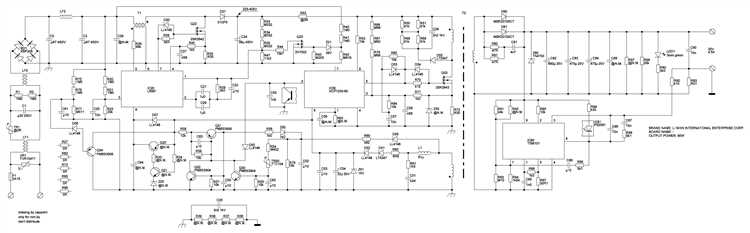
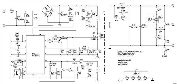
На первом этапе осмотра неисправностей блока питания важно аккуратно разобрать его. Для этого потребуется тонкий отвертка и нож. Будьте очень внимательны, так как многие блоки питания собраны в склеенных корпусах, которые могут быть повреждены при открывании.
После открытия корпуса блока питания следует провести подготовительный этап — разбираем платы, разрезать провода и провести диагностику. Обратите внимание на конденсаторы, их плавкие или выпученные верха могут свидетельствовать о неисправности.
Для разборки блока питания могут потребоваться типовые инструменты, такие как отвертка, молоток и паяльник. Некоторые блоки питания склеены или закреплены с помощью клея или винтов, поэтому техника разборки может быть различной в зависимости от модели блока питания.
Помните о том, что блоки питания различных моделей и типов могут иметь разные особенности и конструкцию. При ремонте блока питания acer, например, нужно быть готовым к осмотреть и разобрать внутренний блок питания конкретной марки.
Не забывайте о том, что большинство блоков питания содержат в себе компьютерную плату, трансформаторы, конденсаторы и другие элементы, которые могут быть повреждены при неправильном вмешательстве. Поэтому если у вас нет опыта в ремонте блоков питания, лучше обратиться к специалисту.
Инструменты для успешного ремонта
Для эффективного ремонта блока питания ноутбука вам понадобятся следующие инструменты:
- Отвертка (набор отверток разных типов).
- Паяльник.
- Пинцет.
- Мультиметр (для диагностики).
- Флюс и припой для пайки.
- Щуп для измерения напряжения.
Прежде чем начать ремонт, обязательно соблюдайте правила безопасности:
- Отключите блок питания ноутбука от сети.
- Не используйте плавкий предохранитель без необходимости.
- Работайте на безопасном столе или поверхности.
При открытии корпуса блока питания ноутбука следуйте пошаговой инструкции:
- Откройте верхний корпус, склеенный с нижней частью.
- Вскройте корпус для доступа к внутренней плате.
- Примените меры предосторожности при открытии корпуса.
Этапы разборки питания ноутбука могут включать следующие действия:
- Подготовительный этап: отключение от сети, разборка корпуса.
- Диагностика и обнаружение проблемы блока питания.
- Ремонт с использованием необходимых инструментов.
Важно помнить о мерах безопасности при работе с электричеством и проводить ремонт с учетом всех рекомендаций. При возникновении сложностей обратитесь к мастер-классам или видео-руководствам по ремонту блока питания ноутбука.
Материалы высокого качества для долговечного результата
При ремонте блока питания ноутбука важно использовать материалы высокого качества, чтобы обеспечить долговечность и надежность результата.
1. Провода и пластик
Необходимо быть внимательным к типовым материалам, используемым в блоках питания. При разборке блока питания следует аккуратно разрезать провода и пластик внешнего корпуса для последующей сборки.
При помощи стандартного набора инструментов, включая отвертку, можно легко открутить корпус блока питания.
2. Предосторожности и правила

Первый этап ремонта блока питания – отключение его от ноутбука. Всегда соблюдайте правила безопасности, чтобы избежать поломок и травм.
- Все операции проводятся при отключенном питании.
- Избегайте прикосновения к активным элементам платы.
- Проверьте, что все провода аккуратно разъединены.
При разборке блока питания следует соблюдать алгоритм работы. Начните с откручивания винтов на нижней части корпуса, затем разъедините плату от блока питания.
В процессе разборки блока питания может понадобиться применение силы, но всегда делайте это аккуратно, чтобы избежать повреждений.
Заключение
Для эффективного ремонта блока питания ноутбука важно использовать материалы высокого качества, следить за внешним и внутренним состоянием устройства. Аккуратная разборка блока питания с использованием правильных материалов и инструментов обеспечит долговечный результат.
Видео:
Ремонт Блока Питания Ноутбука (ХВОСТ)









