
Аккумуляторы – неотъемлемая часть работы с автомобильной электроникой. Если вы уже ищете способы ремонта своими руками, то, возможно, вы сталкивались с проблемами зарядки аккумуляторов. На форумах и в сообщениях можно найти множество мнений и советов по ремонту. В этой статье мы рассмотрим зарядное устройство Вымпел 150, его особенности и возможности по ремонту.
Зарядное устройство Вымпел 150 имеет несколько видов подпитки: от обычного автомобильного зарядного устройства до зарядно-предпускового устройства. Первые отличительные особенности этого устройства – наличие индикатора зарядки и режимы зарядки, которые можно выбрать в зависимости от состояния аккумуляторов.
Устройство имеет дополнительные функции защиты и контроля, такие как защита от перегрузки и короткого замыкания, а также контроль напряжения и тока. Кроме того, есть возможность подключения внешних дополнительных устройств для запуска двигателя в случае необходимости.
По схеме устройства, внутри есть несколько модификаций, которые позволяют управлять процессом зарядки и обеспечить безопасность работы аккумуляторов. Например, наличие тоненьких проводов и светодиодной лампочки позволяет контролировать зарядку аккумулятора и узнать его текущий уровень заряда.
Зарядное устройство Вымпел 150 обладает принципом работы, при котором оно поддерживает аккумуляторы в хорошем состоянии и продлевает их срок службы. Особенно это актуально для автомобилей, которые используются редко или находятся в эксплуатации в условиях низких температур. Устройство также имеет функцию запуска двигателя в экстренных случаях.
Описание зарядного Вымпел 150

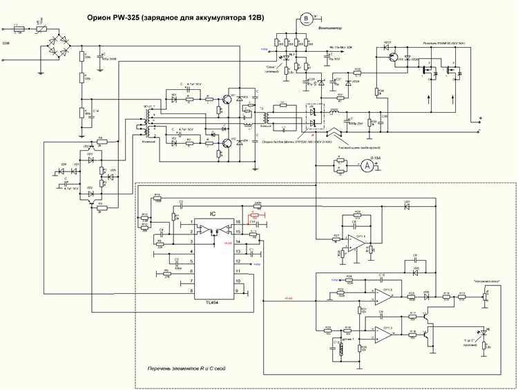
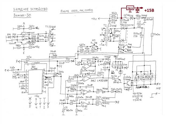
Устройство Вымпел 150 имеет несколько типовых схем, включая схему PW150, PW265 и др. Оно также может работать в различных режимах и имеет регулируемый ток зарядки.
При подключенной аккумуляторной батарее к зарядному устройству, на жК-дисплее будут отображаться данные о ее текущей ёмкости и процессе зарядки. Отображение состояния зарядки будет осуществляться при помощи индикаторов различного цвета:
- Красный цвет означает неисправность подключенной батареи или проблемы с самим устройством.
- Зеленый цвет указывает на успешную зарядку и полностью заряженное состояние батареи.
- Моргающий зеленый цвет может указывать на больший уровень заряда и признак предпускового нагревания аккумулятора.
В официальной инструкции к устройству Вымпел 150 указаны технические характеристики и общие рекомендации по его использованию. Также множество полезной информации можно найти на онлайн форумах электроники и форумах, посвященных зарядным устройствам и аккумуляторам.
Одной из популярных моделей зарядного устройства Вымпел 150 является модель «Орион». Несмотря на некоторые минусы в качестве корпуса и перегреванию в процессе работы, данное устройство пользуется хорошей репутацией и хорошо заряжает аккумуляторы.
Советы по ремонту зарядного Вымпел 150

Одной из главных проблем, с которыми сталкиваются пользователи, является перегрев зарядного устройства. Последние модели из серии Вымпел 150 имеют автоматическое управление током зарядки, что обеспечивает более безопасный процесс зарядки аккумулятора. Однако, если ты заметил, что корпус зарядного устройства стал перегреваться или даже загорается, рекомендуем сразу прекратить его использование и обратиться к специалистам по ремонту.
Еще одной типичной неисправностью, с которой могут столкнуться автовладельцы, является мигание индикатора на зарядном устройстве. Если оно мигает тоненькими черными полосками или постоянно переключается между режимами зарядки и предпускового тока, то это может быть признаком неисправности. В таком случае, рекомендуется обратиться к специалисту или попытаться самостоятельно произвести ремонт устройства.
Для ремонта зарядного устройства Вымпел 150, тебе потребуется некоторые инструменты и знания, поэтому, если ты не уверен в своих способностях, лучше обратиться к профессионалам. Однако, если все-таки решишься взяться за ремонт своими руками, вот несколько советов, которые помогут тебе в этом процессе:
- Прежде всего, тщательно изучи инструкцию по эксплуатации зарядного устройства. В ней должны быть указаны все типовые неисправности и рекомендации по их устранению.
- Осмотрите внешний вид зарядного устройства. Возможно, причина неисправности – в поломке корпуса или разъемов. Проверь их целостность и при необходимости замени.
- Проверь состояние кабеля питания и разъема. Есть ли на них повреждения или трещины? Плохой контакт может быть причиной неработоспособности устройства.
- Проверь напряжение на выходе зарядного устройства. Используй мультиметр для измерения напряжения, которое подается на аккумулятор. В случае, если напряжение отличается от нормы, возможно, причина неисправности – в электронных компонентах.
- Если все вышеперечисленные меры не приводят к положительному результату, то, скорее всего, зарядное устройство имеет серьезную неисправность, которую нельзя устранить без специального оборудования и опыта. В этом случае лучше обратиться к сервисному центру или специалисту по ремонту зарядных устройств.
Зарядное устройство Вымпел 150 – надежное и функциональное устройство, которое подойдет большинству автомобильных аккумуляторов. Оно имеет автоматический режим зарядки, обеспечивает стабильный ток и защиту от перегрузок. Рекомендуем обращаться в сервисные центры, где есть опытные специалисты, обладающие знаниями и опытом по ремонту данного зарядного устройства. Не занимайся самостоятельным ремонтом, если не уверен в своих навыках.
Видео:
Ремонт Орион PW-150.









