
Зарядник Орион 325 – это незаменимый прибор для всех владельцев транспортных средств, которые стремятся поддерживать высокую эффективность своей техники. Его емкость и силы позволяют эффективно и быстро заряжать аккумуляторы автомобилей, мотоциклов, автобусов и других транспортных средств. Благодаря важности правильного зарядного устройства, Орион 325 стал незаменимым помощником для автолюбителей.
На обзоре зарядного устройства «Орион 325» важно обратить внимание на его ключевые функции. Устройство обладает автоматическим регулятором напряжения и панелью с интуитивно понятными светодиодными индикаторами, сигнализирующими о состоянии заряда. С помощью этой панели и регулятора можно легко контролировать процесс зарядки и выбрать нужный режим работы.
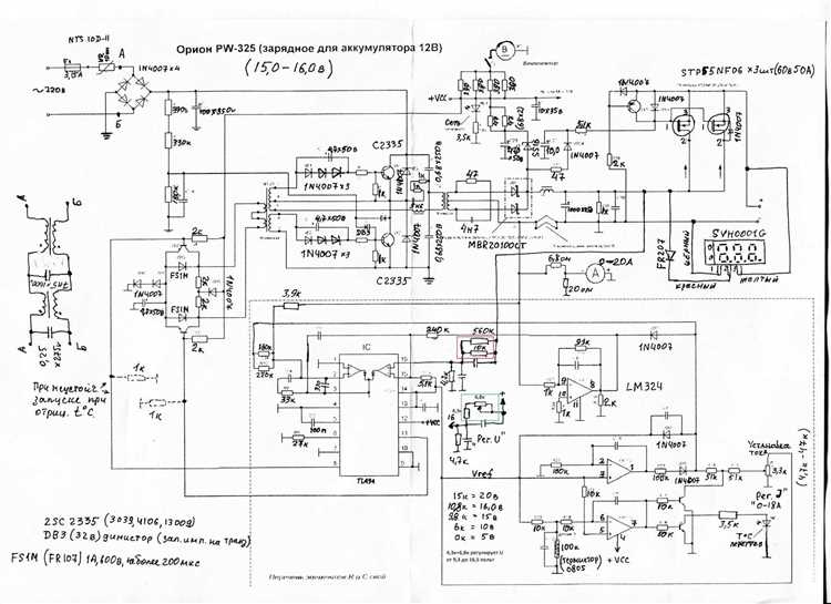
Описание работы и особенностей зарядного устройства Орион 325 также включает в себя возможность десульфатации, утраты емкости аккумулятора и изоляцию проводов. Поэтому, если вы обладаете этим прибором, не забывайте руководствоваться инструкцией производителя для правильного и интенсивного использования. График зарядки также является важным моментом, о котором необходимо помнить для поддержания эффективности аккумулятора в рабочем состоянии.
Обзор автомобильного зарядного устройства Орион 325

Устройство поддерживает различные типы аккумуляторов и имеет возможность десульфатации. Также, его корпус имеет клеммы для удобного подключения к аккумулятору.
Орион 325 имеет достаточный выходной ток для зарядки аккумуляторов различных автомобилей. Кроме того, оно обладает функцией автоматического отключения при достижении нужного уровня заряда, что защищает аккумулятор от перезарядки.
Для установки устройства достаточно подключить его к аккумулятору автомобиля и подключить к сети. После этого можно руководствоваться инструкцией по правильной установке и запуску зарядного устройства.
Особенности Ориона 325:

- Автоматическое отключение при достижении нужного уровня заряда
- Возможность десульфатации аккумуляторов
- Компактный корпус с клеммами для удобного подключения
- Регулировка выходного напряжения
Настоящие отзывы и рекомендации

Автомобильное зарядное устройство Орион 325 стало находкой для многих владельцев автомобилей. Пользователи отмечают его эффективность и удобство в использовании. Вот настоящие отзывы:
| Дата | Отзыв |
|---|---|
| 12 января | Плюс устройства — это его алгоритм заряда, который адаптируется к типу аккумулятора. С помощью предпускового режима можно легко запустить автомобиль даже при минусовой температуре. |
| 20 января | Очень удобно, что можно заряжать аккумулятор как от сети, так и от автомобильного разъема. Руководство пользователя содержит понятные инструкции по использованию. |
| 30 января | Минусы устройства в том, что не подходит для всех моделей автомобилей. Для некоторых необходим дополнительный регулятор тока. |
Советы от покупателей:
1. При установке устройства следуйте рекомендациям производителя.
2. Для безопасной зарядки аккумуляторов используйте только автоматическое зарядное устройство.
3. Если возникают проблемы с зарядкой, обратитесь к специалисту или автосервису.
Техника безопасности и особенности подключения прибора
Автомобильное зарядное устройство Орион 325 представляет собой электронный блок, который работает автоматически. Для использования необходимо подключить его к сетевой розетке стандартного типа 220 В.
Перед подключением устройства убедитесь, что сеть имеет правильную изоляцию и гарантирует безопасность использования зарядного устройства. Не используйте поврежденные или временные сетевые провода.
При подключении к АКБ (аккумуляторной батарее) автомобиля, следите за правильностью подключения клемм. Для защиты от перегрева в устройстве установлен вентилятор. Не устанавливайте блок на неровной поверхности при работе вентилятора.
Важно учитывать, что при использовании автоматического зарядного устройства Орион 325 рекомендуется соблюдать указания, представленные в официальном описании и инструкции по применению. Перед началом зарядки обратите внимание на предпусковое зарядное напряжение и возможность использования на различных типах АКБ.
Не принимайте в ремонт или не пытайтесь самостоятельно отремонтировать зарядное устройство, это может повлечь за собой потерю гарантии на прибор. Если обнаружились недостатки в работе блока, обратитесь в сервисный центр производителя.
Видео:
Зарядное устройство Орион PW 325 Источник тишины









